Бесплатно по РФ           +7 (800) 707-11-74

                               +7 (991) 911-73-76

       +7 (960) 286-81-87

Я 5115-3574 УХЛ4 Т.р.23-32А 12,5; 15 кВт

Ящик управления Я 5115-3574 УХЛ4 Т.р.23-32А 12,5; 15 кВт
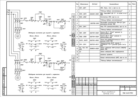
Ящик управления электродвигателем Я 5115-3574 УХЛ4 Т.р.23-32А 12,5; 15 кВт. Ящик управления Я5115 предназначен для местного, дистанционного или автоматического управления двумя асинхронными нереверсивными электродвигателями, работающими в продолжительном, кратковременном или повторно-кратковременном режимах. Ящик имеет местную индикацию состояния работы каждого фидера и возможность для подключения дистанционного управления и дистанционной индикации состояния работы каждого фидера. По заказу ящик Я5115 может быть оснащён местной индикацией сигналов аварии фидеров и возможностью для подключения дистанционной индикации сигналов аварии фидеров. Защита каждого электродвигателя при работе ящика осуществляется с помощью отдельного автоматического выключателя с максимальным электромагнитным и тепловым расцепителями и тепловым реле электромеханического или электронного типа. Автоматический выключатель и тепловое реле по заказу могут быть заменены на автомат защиты двигателя. Ящик управляется фазным напряжением. Ящик имеет стальную сварную конструкцию корпуса с дверью на петлях, фиксируемой замком, обеспечивающим степень защиты IР31 или IP54. По заказу ящик может быть выполнен в пластиковом корпусе. Аппаратура устанавливается в ящике на специальной панели и на двери с внутренней стороны.
Тип Ящик управления электродвигателем
Мощность электродвигателя, кВт 15
Степень защиты IP31
Комплектация TDM, либо аналоги
Характеристика Двухфидерный нереверсивный (с ДУ)
Макс.ток фидера, А 32
Бренд ЭНЕРГИЯ

Похожие товары

Я5115-4174
43200 руб
Я5115-4174
Заказ в один клик
Настоящим подтверждаю, что я ознакомлен и согласен с условиями оферты и политики конфиденциальности.