Бесплатно по РФ           +7 (800) 707-11-74

                               +7 (991) 911-73-76

       +7 (960) 286-81-87

Я 5111-1974 УХЛ4 Т.р.0,63-1А, АД 0,25 кВт

Ящик управления Я 5111-1974 УХЛ4 Т.р.0,63-1А, 0,25 кВт
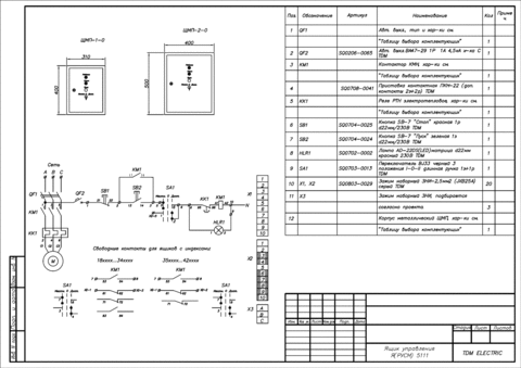
Ящик управления электродвигателем Я 5111-1974 УХЛ4 Т.р.0,63-1А, АД 0,25 кВт. Ящик управления Я5111 предназначен для местного, дистанционного или автоматического управления одним асинхронным нереверсивным электродвигателем, работающим в продолжительном, кратковременном или повторно-кратковременном режимах. Ящик имеет местную индикацию состояния работы фидера и возможность для подключения дистанционного управления и дистанционной индикации состояния работы фидера. По заказу ящик Я5111 может быть оснащён дополнительно местной индикацией сигнала аварии фидера и возможностью для подключения дистанционной индикации сигнала аварии фидера. Защита при работе электродвигателя осуществляется с помощью автоматического выключателя с максимальным электромагнитным и тепловым расцепителями и тепловым реле электромеханического или электронного типа. Автоматический выключатель и тепловое реле по заказу могут быть заменены на автомат защиты двигателя. Ящик управляется фазным напряжением.
Тип Ящик управления электродвигателем
Степень защиты IP31
Комплектация TDM, либо аналоги
Характеристика Однофидерный нереверсивный (с ДУ)
Макс.ток фидера, А 1
Бренд ЭНЕРГИЯ
Заказ в один клик
Настоящим подтверждаю, что я ознакомлен и согласен с условиями оферты и политики конфиденциальности.