Бесплатно по РФ           +7 (800) 707-11-74

                               +7 (991) 911-73-76

       +7 (960) 286-81-87

Я 5110-3674 УХЛ4 Т.р.30-40А 18,5 кВт

Ящик управления Я 5110-3674 УХЛ4 Т.р.30-40А 18,5 кВт
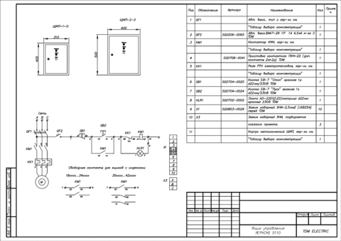
Ящик управления электродвигателем Я 5110-3674 УХЛ4 Т.р.30-40А 18,5 кВт. Ящик управления Я5110 предназначен для местного управления одним асинхронным нереверсивным электродвигателем, работающим в продолжительном, кратковременном или повторно-кратковременном режимах. Ящик имеет местную индикацию состояния работы фидера и возможность для подключения дистанционной индикации состояния работы фидера. По заказу ящик Я5110 может быть оснащён местной индикацией сигнала аварии фидера и возможностью для подключения дистанционной индикации сигнала аварии фидера. Защита при работе электродвигателя осуществляется с помощью автоматического выключателя с электромагнитным и тепловым расцепителями и тепловым реле электромеханического или электронного типа. Автоматический выключатель и тепловое реле по заказу могут быть заменены на автомат защиты двигателя. Ящик управляется фазным напряжением. Ящик имеет стальную сварную конструкцию корпуса с дверью на петлях, фиксируемой замком, обеспечивающим степень защиты IР31. По заказу ящик может быть выполнен в пластиковом корпусе. Аппаратура устанавливается в ящике на специальной панели и на двери с внутренней стороны.
Тип Ящик управления электродвигателем
Мощность электродвигателя, кВт 18
Степень защиты IP31
Комплектация TDM, либо аналоги
Характеристика Однофидерный нереверсивный
Ток теплового реле, А 30-40
Макс.ток фидера, А 40
Бренд ЭНЕРГИЯ

Похожие товары

Заказ в один клик
Настоящим подтверждаю, что я ознакомлен и согласен с условиями оферты и политики конфиденциальности.