Бесплатно по РФ           +7 (800) 707-11-74

                               +7 (991) 911-73-76

Я 5415-3174 УХЛ4 Т.р.9-13А 5 кВт

Ящик управления Я 5415-3174 УХЛ4 Т.р.9-13А 5 кВт
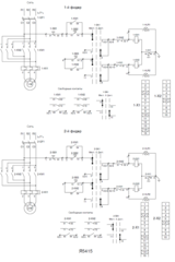
Ящик управления электродвигателем Я 5415-3174 УХЛ4 Т.р.9-13А 5 кВт. Ящик управления Я5415 предназначен для местного, дистанционного или автоматического управления двумя асинхронными реверсивными электродвигателями, работающими в продолжительном, кратковременном или повторно-кратковременном режимах. Ящик имеет местную индикацию направления вращения каждого элетродвигателя и возможность для подключения аналогичной дистанционной индикации и дистанционного управления каждого фидера. По заказу ящик Я5415 может быть оснащён местной индикацией сигналов аварии фидеров и возможностью для подключения дистанционной индикации сигналов аварии фидеров. Защита каждого электродвигателя при работе ящика осуществляется с помощью отдельного автоматического выключателя с максимальным электромагнитным и тепловым расцепителями и тепловым реле электромеханического или электронного типа. Автоматический выключатель и тепловое реле по заказу могут быть заменены на автомат защиты двигателя. Ящик управляется фазным напряжением. Ящик имеет стальную сварную конструкцию корпуса с дверью на петлях, фиксируемой замком, обеспечивающим степень защиты IР31 или IP54. По заказу ящик может быть выполнен в пластиковом корпусе. Аппаратура устанавливается в ящике на специальной панели и на двери с внутренней стороны.
Тип Ящик управления электродвигателем
Тип изделия Автоматический выключатель
Мощность электродвигателя, кВт 5,5
Степень защиты IP31
Комплектация TDM, либо аналоги
Характеристика Двухфидерный реверсивный (с ДУ)
Макс.ток фидера, А 13
Бренд ЭНЕРГИЯ

Похожие товары

Я 5415-2974    УХЛ4          Т.р.5,5-8А        3 кВт
14240 руб
Я 5415-2974 УХЛ4 Т.р.5,5-8А 3 кВт
Я5415-3274
27168 руб
Я5415-3274
Я5415-3874
44000 руб
Я5415-3874
Заказ в один клик
Настоящим подтверждаю, что я ознакомлен и согласен с условиями оферты и политики конфиденциальности.