Бесплатно по РФ           +7 (800) 707-11-74

                               +7 (991) 911-73-76

       +7 (960) 286-81-87

Я 5125-3274 УХЛ4 Т.р.12-18А 6,5; 8 кВт

Ящик управления Я 5125-3274 УХЛ4 Т.р.12-18А 6,5; 8 кВт
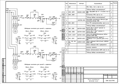
Ящик управления электродвигателем Я 5125-3274 УХЛ4 Т.р.12-18А 6,5; 8 кВт. Ящик управления Я5125 предназначен для местного, дистанционного или автоматического управления двумя асинхронными нереверсивными электродвигателями, работающими в продолжительном, кратковременном или повторно-кратковременном режимах. Ящик имеет местную индикацию состояния работы каждого фидера и возможность для подключения дистанционного управления и дистанционной индикации состояния работы каждого фидера. По заказу ящик Я5125 может быть оснащён местной индикацией сигналов аварии фидеров и возможностью для подключения дистанционной индикации сигналов аварии фидеров. Защита каждого электродвигателя при работе ящика осуществляется с помощью отдельного автоматического выключателя с максимальным электромагнитным и тепловым расцепителями и тепловым реле электромеханического или электронного типа. Автоматический выключатель и тепловое реле по заказу могут быть заменены на автомат защиты двигателя. Ящик управляется фазным напряжением. Ящик имеет стальную сварную конструкцию корпуса с дверью на петлях, фиксируемой замком, обеспечивающим степень защиты IР31 или IP54. По заказу ящик может быть выполнен в пластиковом корпусе. Аппаратура устанавливается в ящике на специальной панели и на двери с внутренней стороны.
Тип Ящик управления электродвигателем
Степень защиты IP31
Комплектация TDM, либо аналоги
Характеристика Двухфидерный нереверсивный (с ДУ)
Макс.ток фидера, А 18
Бренд ЭНЕРГИЯ
Заказ в один клик
Настоящим подтверждаю, что я ознакомлен и согласен с условиями оферты и политики конфиденциальности.