Бесплатно по РФ           +7 (800) 707-11-74

                               +7 (991) 911-73-76

       +7 (960) 286-81-87

Я 5113-3774 УХЛ4 Т.р.47-64А 22 кВт

Ящик управления Я 5113-3774 УХЛ4 Т.р.37-50А 20-22кВт
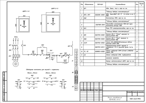
Ящик управления электродвигателем Я 5113-3774 УХЛ4 Т.р.47-64А 22 кВт. Ящик управления Я5113 предназначен для местного, дистанционного или автоматического управления одним асинхронным нереверсивным электродвигателем, работающим в продолжительном, кратковременном или повторно-кратковременном режимах. Ящик имеет местную индикацию состояния работы фидера и возможность для подключения дистанционного управления и дистанционной индикации состояния работы фидера. По заказу ящик Я5113 может быть оснащён дополнительно местной индикацией сигнала аварии фидера и возможностью для подключения дистанционной индикации сигнала аварии фидера. Защита при работе электродвигателя осуществляется с помощью автоматического выключателя с максимальным электромагнитным и тепловым расцепителями и тепловым реле электромеханического или электронного типа. Автоматический выключатель и тепловое реле по заказу можгут быть заменены на автомат защиты двигателя. Ящик управляется независимым или линейным напряжением. Ящик имеет стальную сварную конструкцию корпуса с дверью на петлях, фиксируемой замком, обеспечивающим степень защиты IР31 или IP54. По заказу ящик может быть выполнен в пластиковом корпусе. Аппаратура устанавливается в ящике на специальной панели и на двери с внутренней стороны.
Тип Ящик управления электродвигателем
Степень защиты IP31
Комплектация TDM, либо аналоги
Характеристика Однофидерный нереверсивный (с ДУ), независ. Uупр.
Макс.ток фидера, А 64
Бренд ЭНЕРГИЯ
Заказ в один клик
Настоящим подтверждаю, что я ознакомлен и согласен с условиями оферты и политики конфиденциальности.