Бесплатно по РФ           +7 (800) 707-11-74

                               +7 (991) 911-73-76

Я 5112-2974 УХЛ4 Т.р.5,5-8А 3 кВт

Ящик управления Я 5112-2974 УХЛ4 Т.р.5,5-8А 3 кВт
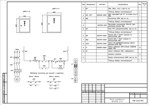
Ящик управления электродвигателем Я 5112-2974 УХЛ4 Т.р.5,5-8А 3 кВт. Ящик управления Я5112 предназначен для местного управления одним асинхронным нереверсивным электродвигателем, работающим в продолжительном, кратковременном или повторно-кратковременном режимах. Ящик имеет местную индикацию состояния работы фидера и возможность для подключения дистанционной индикации состояния работы фидера. По заказу ящик Я5112 может быть оснащён дополнительно местной индикацией сигнала аварии фидера и возможностью для подключения дистанционной индикации сигнала аварии фидера. Защита при работе электродвигателя осуществляется с помощью автоматического выключателя с максимальным электромагнитным и тепловым расцепителями и тепловым реле электромеханического или электронного типа. Автоматический выключатель и тепловое реле по заказу можгут быть заменены на автомат защиты двигателя. Ящик управляется независимым или линейным напряжением. Ящик имеет стальную сварную конструкцию корпуса с дверью на петлях, фиксируемой замком, обеспечивающим степень защиты IР31 или IP54. По заказу ящик может быть выполнен в пластиковом корпусе. Аппаратура устанавливается в ящике на специальной панели и на двери с внутренней стороны.
Тип Ящик управления электродвигателем
Мощность электродвигателя, кВт 3
Степень защиты IP31
Комплектация TDM, либо аналоги
Характеристика Однофидерный нереверсивный, независ. Uупр.
Макс.ток фидера, А 8
Бренд ЭНЕРГИЯ

Похожие товары

Я 5112-2474    УХЛ4          Т.р.1,6-2,5А      0,75 кВт
10131.75 руб
Я 5112-2474 УХЛ4 Т.р.1,6-2,5А 0,75 кВт
Я5112-2574
11311.65 руб
Я5112-2574
Я 5112-2674    УХЛ4          Т.р.2,5-4А         1,5 кВт
10131.75 руб
Я 5112-2674 УХЛ4 Т.р.2,5-4А 1,5 кВт
Заказ в один клик
Настоящим подтверждаю, что я ознакомлен и согласен с условиями оферты и политики конфиденциальности.