Бесплатно по РФ           +7 (800) 707-11-74

                               +7 (991) 911-73-76

       +7 (960) 286-81-87

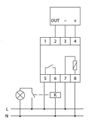
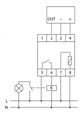
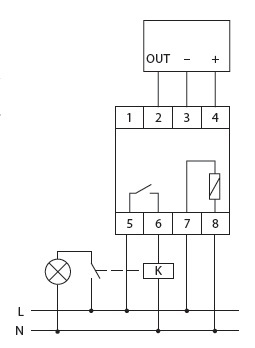
PCZ-528

Реле времени программируемое PCZ-528
определение координат по GPS, коррекция времени включения/выключения, ночной перерыв,, монтаж на DIN-рейке 35 мм
Тип Реле времени программируемое
Степень защиты 20
Напряжение управления, В 24-264В AC/DC
Количество контактов 1P
Заказ в один клик
Настоящим подтверждаю, что я ознакомлен и согласен с условиями оферты и политики конфиденциальности.