Бесплатно по РФ           +7 (800) 707-11-74

                               +7 (991) 911-73-76

       +7 (960) 286-81-87

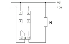
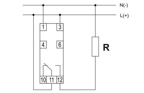
PCR-513

Реле времени однокомандные PCR-513
с задержкой включения, монтаж на DIN-рейке 35 мм
Тип Реле времени однокомандные
Степень защиты 20
Напряжение управления, В 230В
Количество контактов