Бесплатно по РФ           +7 (800) 707-11-74

                               +7 (991) 911-73-76

       +7 (960) 286-81-87

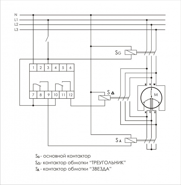
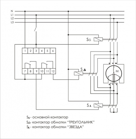
PCG-417

Реле времени однокомандные PCG-417
"звезда-треугольник", для запуска электродвигателей, монтаж на DIN-рейке 35 мм
Тип Реле времени однокомандные
Степень защиты 20
Напряжение управления, В 230В AC/24B AC/DC
Количество контактов 2х1P
Заказ в один клик
Настоящим подтверждаю, что я ознакомлен и согласен с условиями оферты и политики конфиденциальности.