Бесплатно по РФ           +7 (800) 707-11-74

                               +7 (991) 911-73-76

       +7 (960) 286-81-87

PR-612

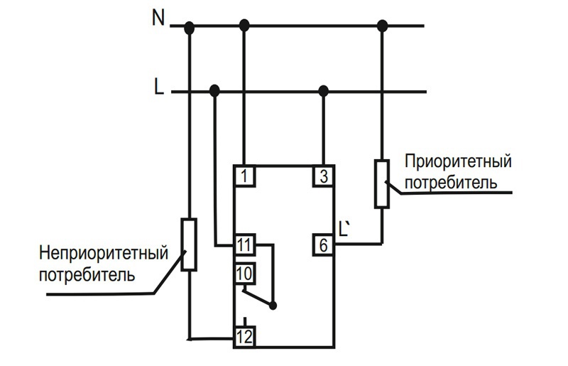
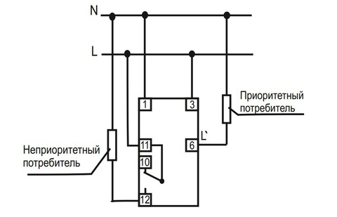
Реле приоритета PR-612
2 - 15А, монтаж на DIN-рейке 35 мм
Тип Реле приоритета
Степень защиты 20
Напряжение управления, В 230В
Количество контактов
Заказ в один клик
Настоящим подтверждаю, что я ознакомлен и согласен с условиями оферты и политики конфиденциальности.