Бесплатно по РФ           +7 (800) 707-11-74

                               +7 (991) 911-73-76

       +7 (960) 286-81-87

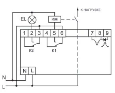
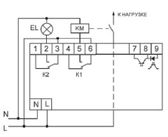
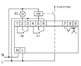
ОМ-1

Ограничитель мощности ОМ-1
однофазный,микропроцессорный, многофункциональный,диапазон контролируемой мощности 3- 30 кВт, монтаж на DIN-рейке 35 мм
Тип Ограничитель мощности
Степень защиты 20
Напряжение управления, В 50-260В АС
Количество контактов 2х1Р
Заказ в один клик
Настоящим подтверждаю, что я ознакомлен и согласен с условиями оферты и политики конфиденциальности.