Бесплатно по РФ           +7 (800) 707-11-74

                               +7 (991) 911-73-76

       +7 (960) 286-81-87

CKF-BT

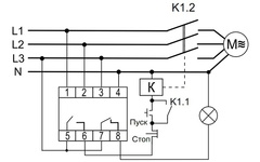
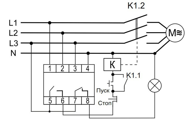
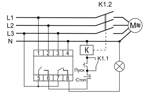
Реле контроля и чередования фаз CKF-BT
монтаж на DIN-рейке 35 мм, микропроцессорный, регулировка порога отключения и времени отключения, контроль верхнего и нижнего значений напряжения
Тип Реле контроля и чередования фаз
Степень защиты 20
Напряжение управления, В 3х400/230+N
Количество контактов 1Z, 1R
Бренд Евроавтоматика F&F
Заказ в один клик
Настоящим подтверждаю, что я ознакомлен и согласен с условиями оферты и политики конфиденциальности.