Бесплатно по РФ           +7 (800) 707-11-74

                               +7 (991) 911-73-76

CKF-345

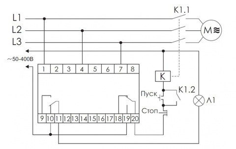
Реле контроля фаз для сетей с изолированной нейтралью CKF-345
монтаж на DIN-рейке 35 мм, регулировка порога отключения, контроль чередования фаз
Тип Реле контроля фаз для сетей с изолированной нейтралью
Степень защиты 20
Напряжение управления, В 3х500В
Количество контактов 1х2Р
Бренд Евроавтоматика F&F
Заказ в один клик
Настоящим подтверждаю, что я ознакомлен и согласен с условиями оферты и политики конфиденциальности.