Бесплатно по РФ           +7 (800) 707-11-74

                               +7 (991) 911-73-76

       +7 (960) 286-81-87

CKF-316

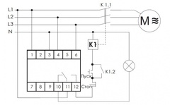
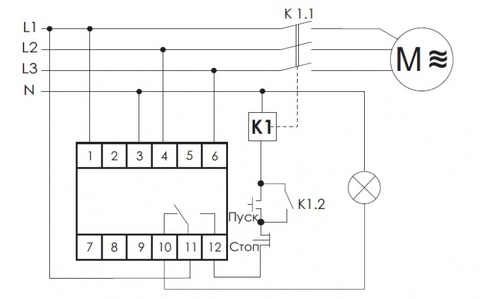
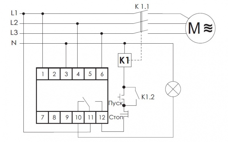
Реле контроля и чередования фаз CKF-316
монтаж на DIN-рейке 35 мм
Тип Реле контроля и чередования фаз
Степень защиты 20
Напряжение управления, В 3х400/230+N
Количество контактов
Бренд Евроавтоматика F&F
Заказ в один клик
Настоящим подтверждаю, что я ознакомлен и согласен с условиями оферты и политики конфиденциальности.