Бесплатно по РФ           +7 (800) 707-11-74

                               +7 (991) 911-73-76

       +7 (960) 286-81-87

CKF

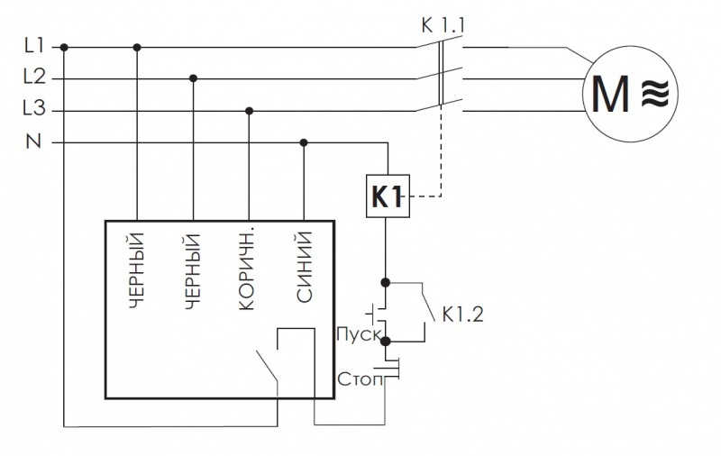
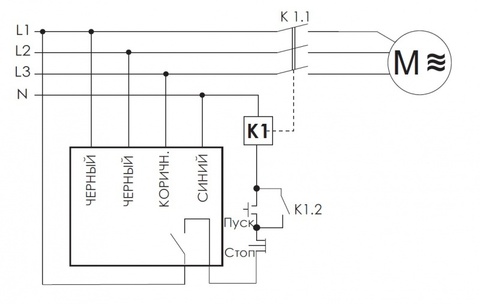
Реле контроля и чередования фаз CKF
монтаж на плоскость
Тип Реле контроля и чередования фаз
Степень защиты 65
Напряжение управления, В 3х400/230+N
Количество контактов 1Z
Бренд Евроавтоматика F&F
Заказ в один клик
Настоящим подтверждаю, что я ознакомлен и согласен с условиями оферты и политики конфиденциальности.